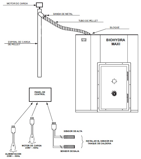
Es s el modelo ideal para el cuarto de la caldera, donde, con una tolva de alimentación grande como para contener 70 kg de combustible, proporciona un rango de funcionamiento óptimo y la gestión de la comodidad de una muy irregular. El frontal de la pantalla de control ofrece una gestión conveniente y lectura inmediata de la fase de operación.
Ha sido certificado según la norma europea EN303-5 de las emisiones a la atmósfera, lo que permite la deducción fiscal del 55% establecido en Italia.
tiene el novedoso quemador y autolimpieza, la patente europea CS Thermos Ltd. funciona con pellets de madera (buenas o pobre) o gránulos mezclados con otros tipos de biomasa, en la proporción de 40% y el 60% pellets de biomasa de pellets de madera de olivo o cacahuete entero, vid viñedo granuladas pozos, cereza, cáscara de almendra / avellanas / nueces de pino , Agripellet (a base de granos y madera), miscanthus pellet. El tipo de combustible se ha seleccionado en la pantalla de la tarjeta electrónica. completo y equipado con los siguientes componentes: - Kit para el circuito de agua caliente sanitaria: válvula de tres vías, sonda circular salud de las plantas - Kit de seguridad hidráulico: vaso de expansión, válvula de drenaje 3 bar , ventilación automática, sistema de drenaje de seguridad: - dispositivos de seguridad mecánicos: válvulas de escape 3 bar, termostato de la caldera, la presión del aire, la presión del agua. - dispositivos eléctricos de seguridad: sensores inductivos constante control de la posición de giro del motor, la sonda de gases de combustión.