KL 29 top
Caldera de leña con la parte superior SEGURO
capacidad térmica nominal de 29.900 Kcal / h
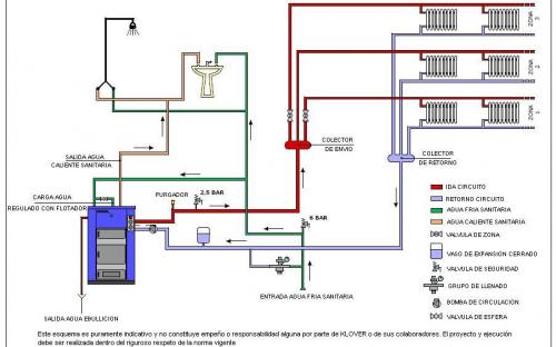
Sistema de calefacción.
KLB 29 top
Caldera de leña con la parte superior SEGURO
capacidad térmica nominal de 29.900 Kcal / h
sistema de calefacción y agua caliente sanitaria.