KL 40 top
Caldera de leña con la parte superior SEGURO
capacidad térmica nominal de 40.000 Kcal / h
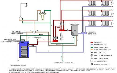
Sistema de calefacción.
KLB 40 top
Caldera de leña con la parte superior SEGURO
capacidad térmica nominal de 40.000 Kcal / h
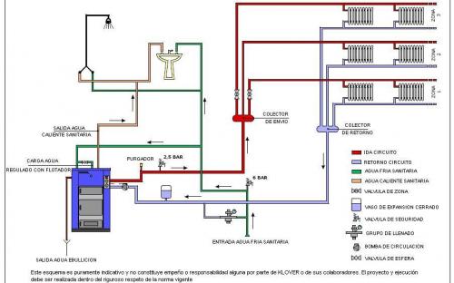
sistema de calefacción y agua caliente sanitaria.