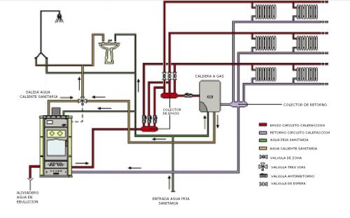
Fabricante: KLOVERCategorías: Estufas de AguaLeñaPrecio: 5 550.00€ (IVA y portes no incluido.) Ver la imágen completa Ver la imágen completa Ver la imágen completa Ver la imágen completa Ver la imágen completa Datos topCaracterísticasPotencia térmica nominal: 30.60kWPotencia térmica al agua: 27.3kWRendimiento: 80.0%Volumen a calentar: 585 ÷ 785m³Tipo combustible: Leña o briquetas de maderaDimensiones (ancho/alto/fondo): 690 / 1310 / 570 mm Más informaciónInformación o Presupuesto Para más información o pedir un presupuesto de este producto rellene el formulario a continuación. Le informamos que todos los campos señalizados con * son obligatorios para poder atender a su solicitud. Tipo de formulario * Presupuesto Más información de Nombre * Correo-electrónico * Teléfono Mensaje (opcional) Protección de datos * He leído y acepto la política de privacidad. Datos Técnicos Ver la imágen completa Ver la imágen completa Ver la imágen completa